PROJECTS RELATED TO KINEMATICS AND ENGINEERING DYNAMICS

(Please click the project images to access the technical reports/PPTs/Repositories for each project)

Enhanced Euler-Lagrange Formulation for Human Gait
Dynamics of 3-Axis SCARA manipulator (dynamic code validation)
Human Gait Dynamics
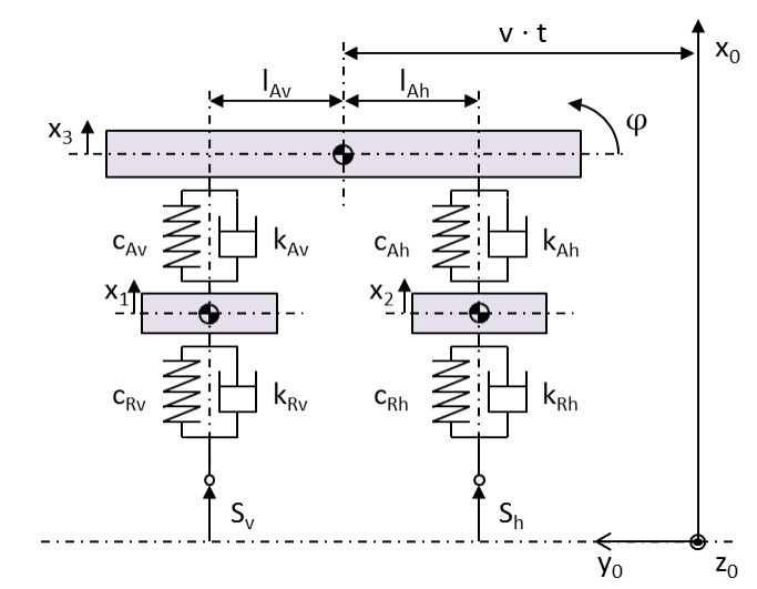
Verticle Dynamics of a 2DOF Vehicle (Unforced System, Forced System)
Exercise Codes for the Lecture: Multi-Body Dynamics at RWTH Aachen
Test Rig for measuring vibration characteristics of a beam
Simulation of a double wishbone suspension for a simple automobile
Forward Kinematics of a 2R Robotic Arm
Slider Crank Mechanism Simulation
Simulation of a Cam-follower mechanism
Analysis of the Geneva Mechanism
Analysis of a Simple Pendullum